ePvL Powerlink R5 und Ladebooster von Votronic
ePvL Powerlink R5 und Ladebooster von Votronic
Hallo
Ich habe den Ladebooster von Votronic 30A eingebaut, nach beiliegender Anleitung, da ich jetzt eine Lithiumbatterie von 100A habe.
Meine alte AGM wollte nicht mehr. Die Lithium ist mit BMS und war unwesentlich teurer wie eine neue AGM. Wechselrichter haben wir nicht. Jetzt meine Frage. Kommt das ePvL Powerlink R5 mit den 30A klar oder sollte ich was ändern?
Das Womo ist ein XGO 98 P Bj 12-2020
Danke für die Hilfe
Ich habe den Ladebooster von Votronic 30A eingebaut, nach beiliegender Anleitung, da ich jetzt eine Lithiumbatterie von 100A habe.
Meine alte AGM wollte nicht mehr. Die Lithium ist mit BMS und war unwesentlich teurer wie eine neue AGM. Wechselrichter haben wir nicht. Jetzt meine Frage. Kommt das ePvL Powerlink R5 mit den 30A klar oder sollte ich was ändern?
Das Womo ist ein XGO 98 P Bj 12-2020
Danke für die Hilfe
Re: ePvL Powerlink R5 und Ladebooster von Votronic
Ja, mit 30 Amp. kommt es klar, sollte kein Problem sein.
Re: ePvL Powerlink R5 und Ladebooster von Votronic
Vielen Dank
Dann bin ich ja beruhigt und muss mir keine Gedanken machen.
Bis dann
Dann bin ich ja beruhigt und muss mir keine Gedanken machen.
Bis dann
Re: ePvL Powerlink R5 und Ladebooster von Votronic
Hallo,
ich bin neu hier. Ich besitze ein Rimor Seal. Bauj. 2021.
Ich habe auch die Bord Batterie getauscht gegen eine LifoPo, daher benötige ich auch einen Ladebooster.
Würde auch den Votronic nehmen.
Könnte mir vielleicht jemand anhand des Verbauten ePvl erklären, wo ich Ihn anschließen muss.
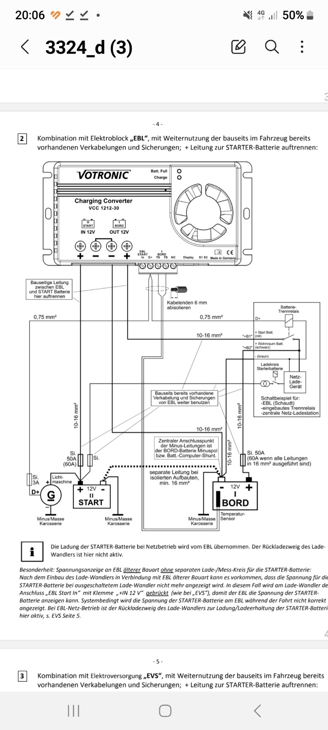
Ich verstehe die Anleitung nicht ganz, zb. Bauseitige Leitung zwischen EBL und Startbatterie hier auftrennen. Was soll ich da machen
Grüße aus Meißen und Danke im Voraus.
Jörg
ich bin neu hier. Ich besitze ein Rimor Seal. Bauj. 2021.
Ich habe auch die Bord Batterie getauscht gegen eine LifoPo, daher benötige ich auch einen Ladebooster.
Würde auch den Votronic nehmen.
Könnte mir vielleicht jemand anhand des Verbauten ePvl erklären, wo ich Ihn anschließen muss.
Ich verstehe die Anleitung nicht ganz, zb. Bauseitige Leitung zwischen EBL und Startbatterie hier auftrennen. Was soll ich da machen
Grüße aus Meißen und Danke im Voraus.
Jörg
Re: ePvL Powerlink R5 und Ladebooster von Votronic
@Karlchen,
schau mal hier: viewtopic.php?p=375#p375
Ich habe den Votronic Booster in ein Fahrzeug mit ePvL eingebaut.
schau mal hier: viewtopic.php?p=375#p375
Ich habe den Votronic Booster in ein Fahrzeug mit ePvL eingebaut.
Re: ePvL Powerlink R5 und Ladebooster von Votronic
Hallo,
erstmal ein Dank an dieses Forum in dem ich schon länger passiv mitlese.
Jetzt habe ich mich angemeldet weil ich eine Frage habe.
Ich plane den hier dargestellten Umbau.
Möchte den Ladebooster VOR dem ePvL mir 30A einschleifen, soweit sollte das ja gehen.
Konsequenz: ich sehe den Ladezustand der Starterbatterie nicht mehr, korrekt?
Meine Frage aber ist: der ePvL würde ja bei Landstrom die Starterbatterie mit geringem Strom laden, richtig? Passiert das auch noch wenn ich da den Booster zwischengeschaltet habe? Wenn nein, wie ermögliche ich dann die (Erhaltungs)Ladung der Starterbatterie?
vielen Dank
Robert
erstmal ein Dank an dieses Forum in dem ich schon länger passiv mitlese.
Jetzt habe ich mich angemeldet weil ich eine Frage habe.
Ich plane den hier dargestellten Umbau.
Möchte den Ladebooster VOR dem ePvL mir 30A einschleifen, soweit sollte das ja gehen.
Konsequenz: ich sehe den Ladezustand der Starterbatterie nicht mehr, korrekt?
Meine Frage aber ist: der ePvL würde ja bei Landstrom die Starterbatterie mit geringem Strom laden, richtig? Passiert das auch noch wenn ich da den Booster zwischengeschaltet habe? Wenn nein, wie ermögliche ich dann die (Erhaltungs)Ladung der Starterbatterie?
vielen Dank
Robert
Re: ePvL Powerlink R5 und Ladebooster von Votronic
Der ePvL lädt die Starterbatterie nicht, sonder schaltet beide Batterien zusammen, wenn die Lichtmaschiene läuft. (D+ Signal von der Lichtmaschiene).
Es gibt 2 Möglichkeiten die Starterbatterie zu laden,
1. mit dem Solarregler.
2. mit einem Standbylader.
Was für den 70Amp. Ladebooster gilt, passt auch im Prinzip für die 30Amp. Version.
Wenn du Ende Mai auf dem Ahorntreffen in Vlotho bist, da sind ca. 120 Ahornfahrzeuge, da kannst du dir dies anschauen.
Es gibt 2 Möglichkeiten die Starterbatterie zu laden,
1. mit dem Solarregler.
2. mit einem Standbylader.
Was für den 70Amp. Ladebooster gilt, passt auch im Prinzip für die 30Amp. Version.
Wenn du Ende Mai auf dem Ahorntreffen in Vlotho bist, da sind ca. 120 Ahornfahrzeuge, da kannst du dir dies anschauen.
Re: ePvL Powerlink R5 und Ladebooster von Votronic
Hey,
danke für die flotte Antwort.
Ich habe ein Fahrzeug von Rimor...
aber vielleicht schaffe ich es zu dem Treffen.
Ok, ich habe immer gedacht dass der ePvL auch beim 230V laden die Batterien parallel schaltet....falsch gedacht...
Also könnte ich den ladebooster vor dem ePvL einschleifen und dazu einfach parallel einen Standbylader schalten?
Gruß
Robert
danke für die flotte Antwort.
Ich habe ein Fahrzeug von Rimor...
Ok, ich habe immer gedacht dass der ePvL auch beim 230V laden die Batterien parallel schaltet....falsch gedacht...
Also könnte ich den ladebooster vor dem ePvL einschleifen und dazu einfach parallel einen Standbylader schalten?
Gruß
Robert
Re: ePvL Powerlink R5 und Ladebooster von Votronic
Ja, kein Problem. Wenn du einen der kompatieblen Solar regler hast, benötigst du nur ein kurzes Stück Kabel.
Rimor und Ahornfahrzeuge bis 2025 sind bis auf das Basisfahrzeug baugleich, kommen aus der gleichen Werkstatt.
Rimor und Ahornfahrzeuge bis 2025 sind bis auf das Basisfahrzeug baugleich, kommen aus der gleichen Werkstatt.
Re: ePvL Powerlink R5 und Ladebooster von Votronic
Vielen Dank.
Solar Regler kommt erst später. Erstmal nur die lifepo Batterie mit dem Booster und der Standbycharger.
Ich wüsste jetzt gar nicht genau wo ich solar anschließen sollte.... Mal ganz pragmatisch gesagt müsste ich doch damit mit einem entsprechenden Ladegerät parallel zu dem anderen Aufbau direkt an die Aufbaubatterie dran gehen können oder nicht?
Solar Regler kommt erst später. Erstmal nur die lifepo Batterie mit dem Booster und der Standbycharger.
Ich wüsste jetzt gar nicht genau wo ich solar anschließen sollte.... Mal ganz pragmatisch gesagt müsste ich doch damit mit einem entsprechenden Ladegerät parallel zu dem anderen Aufbau direkt an die Aufbaubatterie dran gehen können oder nicht?

